ПОДПИСЫВАЙТЕСЬ НА НАС:

О нас

О Сонгле

История развития

февраль 1984 г.
Второй завод реле Юяо
Второй завод реле Юяо, основанный в феврале 1984 года, в основном производит реле для бытовой техники, при этом небольшая часть реле используется в автомобилях.
февраль 1995 г.
Компания Нинбо Сонгле Реле, Лтд.
Ningbo Songle Relay Co., Ltd. — небольшой производитель электромагнитных реле с более чем двадцатилетней историей. Уставный капитал компании составляет 26,68 миллиона юаней.
2000
Сертификация системы менеджмента качества ISO9001
В 2000 году компания получила сертификат системы менеджмента качества ISO9001.
июль 2009 г.
ИСО/ТС16949
В июле 2009 года компания получила сертификат ISO/TS16949 на систему управления качеством автомобильной промышленности.
2016
Объем продаж достиг 300 миллионов юаней.
В 2016 году объем продаж компании составил 300 миллионов юаней.

О реле Сонгле

Известный в отрасли производитель реле

Ningbo Songle Relay Co., Ltd. (совместное китайско-иностранное предприятие) была официально основана в 1995 году и является производителемсверхминиатюрные электромагнитные релес более чем двадцатилетней историей.

Продукция компании прошла американские сертификаты безопасности «UL», немецкие «TUV» и китайские «CQC», а также получила сертификат завода по производству электронных компонентов Международной электротехнической комиссии «IECQ».

About Songle Relays

В соответствии с системой качества ISO9001 компания производит различные реле с превосходными характеристиками, что делает Songle крупным поставщиком для многочисленных отечественных и международных производителей автомобильной электроники, бытовой техники, коммуникационного оборудования и систем управления промышленной автоматизацией.

Расположенная на побережье Восточно-Китайского моря в промышленном городе Чжэцзян на Дальнем Востоке, компания занимает площадь 30 000 квадратных метров, а производственная площадь - 50 000 квадратных метров.

Компания располагает двадцатью передовыми стандартизированными производственными линиями и объединяет разработку и проектирование продукции, производство пресс-форм, а также обработку пластмасс и металлов. Годовая производственная мощность составляет 200 миллионов единиц. Продукция продается внутри страны и за рубежом и получила широкую похвалу от клиентов. Девиз нашей компании: Удовлетворение потребностей клиентов – наша вечная цель.

0 Год основания
0 Площадь (кв.м.)
0 Производственный завод (кв.м.)
0 Годовое производство (млн)

Корпоративная культура

I. Корпоративный дух
Неустанно стремитесь к совершенству.
II. Основные ценности
Осмельтесь быть лучшими, демонстрируя свою ценность!
III. Философия бизнеса
Быть первоклассным высокотехнологичным предприятием электронных компонентов, обладающим значительным влиянием и конкурентоспособностью.
IV. Политика качества
Постоянное совершенствование, стремление к совершенству; предоставление первоклассной продукции для удовлетворения наших клиентов.
V. Корпоративные ценности
Компания ориентирована на людей, а люди основаны на честности.
VI. Корпоративный стиль управления
Честное, справедливое, открытое, научное принятие решений, своевременное улучшение и строгое соблюдение правил.
VII. Философия человеческих ресурсов
Талант – это основной ресурс; каждый — талант, и каждая должность — сцена; уважай знания, уважай талант.

Наша миссия

Качество сегодня, рынок завтра! Удовлетворение потребностей клиентов – наша конечная цель!

Благодаря мощной поддержке наших уважаемых клиентов, Ningbo Songle быстро превратилась в крупную компанию, производящую более 200 000 000 различных миниатюрных электромагнитных реле ежегодно. Мы рады установить торговые отношения с нашими клиентами на основе равенства и взаимной выгоды и считаем, что наши перспективы на будущее очень блестящие!

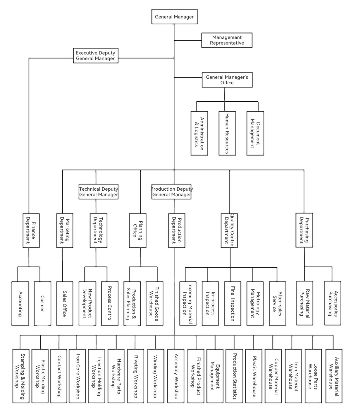
Чтобы лучше участвовать в рыночной конкуренции, адаптироваться к будущим тенденциям развития компании, оптимизировать и совершенствовать рабочие и бизнес-процессы, повышать эффективность управления, уточнять функциональные взаимоотношения между отделами, определять функции управления и обязанности персонала каждого отдела, а также предотвращать дублирование полномочий, организационная структура компании будет скорректирована и улучшена следующим образом.

About Songle Relays

X
Мы используем файлы cookie, чтобы предложить вам лучший опыт просмотра, анализировать трафик сайта и персонализировать контент. Используя этот сайт, вы соглашаетесь на использование нами файлов cookie. политика конфиденциальности
Отклонять Принимать