ПОДПИСЫВАЙТЕСЬ НА НАС:

Продукты
SE-HB Реле
  • SE-HB РелеSE-HB Реле

SE-HB Реле

Model:SE-HB Relay
Ningbo Songle Relays Co., Ltd. является надежным производителем и поставщиком в Китае; Реле SE-HB напрямую с нашего завода, исключая посредников и предлагая разумные цены. Если вам нужно индивидуальное решение, пожалуйста, свяжитесь с нами.

SE-HB relay is mainly used in motorcycle flasher, which knocks on the shell through the action of attracting and releasing the relay, forming the prompt sound "DI" and "DA" when the motorcycle turns. The maximum switching current can reach 5 amps, and the voltage is reduced to 200 millivolts, which greatly reduces the heat loss during high current conduction and effectively avoids the contact aging problem caused by overheating. In addition, the relay can withstand the rigorous test of 1× 10⁵ electrical cycles and 1× 10⁷ mechanical cycles, so it can maintain stable performance even in the high-frequency start-stop environment, effectively reducing contact wear and conductive failures. What's more worth mentioning is that its temperature adaptation range is extremely wide, and it can work normally between -40℃ and +125℃, far exceeding the temperature limit of traditional relays, making the motorcycle flasher work normally in both severe cold and hot summer.


FEATURES

Open type

1 From A contact arrangement

5A switching capability




Contact Parameters Value
Contact arrangement A
Contact rating 5A 14VDC
Voltage drop ≤200mV
Electrical endurance 1×10⁵ ops
Mechanical endurance 1×10⁷ ops


Coil Parameters Value
Nominal voltage 12VDC
Power dissipation 1.8W, 2.5W
Pick-up voltage (Max) 65% of nominal voltage
Drop-out voltage (Min) 10% of nominal voltage


Other Parameters Value
Ambient temperature (°C) −40°C~+125°C
Dielectric strength (Coil & contacts, 1min) 500VAC
Dielectric strength (Open contacts, 1min) 500VAC
Insulation resistance (500VDC) 100MΩ
Wiring diagram (Bottom view)
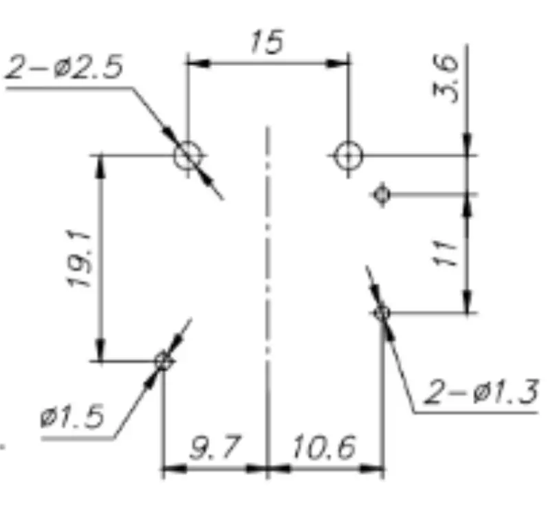
Installation hole drawing (Bottom view)
Termination P.C.B (PCB terminal)
Weight Apprax 19g



Горячие Теги: Китай SE-HB Реле Поставщик, Производитель, Фабрика
Отправить запрос
Контакты
  • Адрес

    CW7, зона A, промышленный город Чжэцзян Юаньдун, город Юяо, провинция Чжэцзян, Китай

  • Электронная почта

    sale@songle.com/rachel@songle.com

По вопросам о силовых реле, сигнальных реле, автомобильных реле или прайс-листе отправьте запрос в Songle, ведущую фабрику реле в Китае!  пожалуйста, оставьте нам свой адрес электронной почты, и мы свяжемся с вами в течение 24 часов.
X
Мы используем файлы cookie, чтобы предложить вам лучший опыт просмотра, анализировать трафик сайта и персонализировать контент. Используя этот сайт, вы соглашаетесь на использование нами файлов cookie. политика конфиденциальности
Отклонять Принимать